
2001 Hyundai Elantra Wiring Diagram, Hyundai Elantra Wiring Diagrams 1998 to 2016, 8.63 MB, 06:17, 15,957, John Amahle, 2018-11-17T16:37:24.000000Z, 19, 2001 Hyundai Elantra Radio Wiring Diagram For Your Needs, www.dentistmitcham.com, 1404 x 1200, jpeg, hyundai elantra wiring diagram radio 2001 forums needs, 20, 2001-hyundai-elantra-wiring-diagram, Anime Arts
This information outlines the wires location, color and polarity to help you identify the proper connection spots in the vehicle. Please be sure to test all of your wires with a digital multimeter before making any connections. Whether your an expert chrysler sebring mobile electronics installer, chrysler sebring fanatic, or a novice chrysler sebring enthusiast with a 2005 chrysler sebring, a car stereo wiring diagram can save yourself a lot of time. Automotive wiring in a 2005 chrysler sebring vehicles are becoming increasing more difficult to identify due to the installation of.
Sebring 2007 chrysler wire diagram radio wiring. I have a 07 chrysler sebring 2. 5s and the rear brake lights are not coming on. I have replaced www. justanswer. com. [diagram] 1998 chrysler sebring stereo wiring help 1998 chrysler sebring wiring diagram full wiring34. vacansoleildcm. fr. Automatic a/c circuit (1 of 2) 2007 chrysler sebring limited. 1999 chrysler sebring stereo wiring: Www. dentistmitcham. com we have service information for both tube radios and early transistor automobile radios. 2. 7l flex fuel, engine performance wiring diagram (1 of 5) for chrysler sebring 2009. Radio chrysler wiring diagram sebring 2001 switch dead cruiser pt clock goes player cd convertible 2003 lights circuit power justanswer.
46 2007 Chrysler Sebring Radio Wiring Diagram - Wiring Diagram Source Online

[DIAGRAM] 2007 Chrysler Sebring Stereo Wiring Diagram FULL Version HD Quality Wiring Diagram
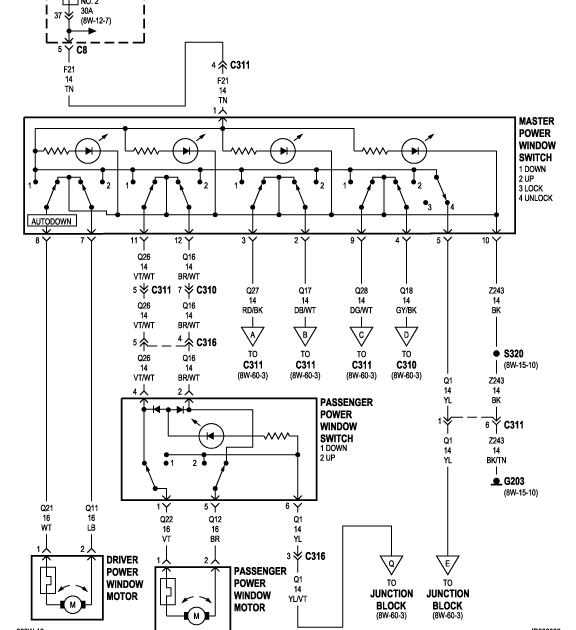
![2007 Chrysler Sebring Radio Wiring Diagram [DIAGRAM] 2007 Chrysler Sebring Stereo Wiring Diagram FULL Version HD Quality Wiring Diagram](https://www.2carpros.com/images/question_images/296622/original.jpg)
58 2007 Chrysler Sebring Radio Wiring Diagram - Wiring Diagram Harness
54 2007 Chrysler Sebring Radio Wiring Diagram - Wiring Diagram Resource
46 2007 Chrysler Sebring Radio Wiring Diagram - Wiring Diagram Source Online

Chrysler Sebring Wiring Diagram 2007 - Wiring Diagram
Cadillac Cts 2007 Radio Wiring Harness | Diagram Source

2007 Chrysler Sebring Ac Wiring Diagram - Wiring Diagram and Schematic Role
54 2007 Chrysler Sebring Radio Wiring Diagram - Wiring Diagram Resource

2007 Chrysler Sebring Wiring Diagram Download - Wiring Diagram Sample
